首页
关于跃中
2468顺发
新闻中心
在线订单
联系我们
EN
首页
关于跃中
2468顺发
新闻中心
在线订单
联系我们
ENGLISH
多回转型阀门手动装置
当前位置:
首页
>>
2468顺发
>>
多回转型阀门手动装置
产品分类
回转型阀门手动装置
部分回转型阀门电动装置
基座拐臂式齿轮箱
球型铰链机构
多回转型阀门手动装置
多回转型阀门电动装置
全回转型阀门手动装置
正齿轮减速箱
手轮尺寸
新产品
回转型阀门手动装置
部分回转型阀门电动装置
基座拐臂式齿轮箱
球型铰链机构
多回转型阀门手动装置
多回转型阀门电动装置
全回转型阀门手动装置
正齿轮减速箱
手轮尺寸
新产品
BA-Q蜗轮箱
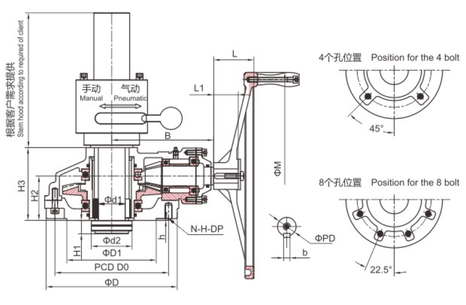
该装置是直接安装在气缸上的手动装置,该装置采用弧齿锥齿轮和平面推力承轴,有运转平稳、扭矩大、噪音小、效率高的优点。在所有的结合部,采用了密封垫全密封处理,达到了防水、防油漏的效果,防护等级为IP65。该装置在没有气源的条件下可手动切换手柄,转换成手动直接操作,产品还可根据推力大小安装二级减速器。
咨询问价
联系我们
产品参数
上一个产品:已经尾篇
下一个产品:
BA蜗轮箱
推荐产品
MY-S-Q
MY-SS
MY-V-Q
BA-G蜗轮箱
BA-Z蜗轮箱
Copyright @ 2014
温州跃中机械科技有限公司
All Rights Reserved. 主营:
蜗轮箱,蜗轮头,伞齿轮,阀门执行器,阀门驱动
网站地图
技术支持:
联系电话
13567722902
联系电话
13957716282
联系邮箱
yuezhong@gearactuator.com
QQ
澳门灵蛇网4949-香港灵蛇网论坛资料大全最新-灵蛇网4846cc最新版本更新内容-灵蛇网4668cc-灵蛇澳门2025年今晚看
香港六玄开奖网-六玄网132432-六玄神马开奖44579-六玄公式6588777-六玄神马免费中特料-澳彩六玄网论坛6258cmcc
顺发2468 - 首页
灵蛇澳门2025年今晚看-灵蛇网4846cc-灵蛇网免费资料大全--灵蛇网4846cc最新版本更新内容-澳门灵蛇网4949
启航彩 - 首页
辉耀彩 - 首页